Ayuda con el sesnor SAS (angulo de giro del volante)

Modelos Jaguar S-Type
jalvarez
Cortando encendido...
Cortando encendido...
Mensajes: 3005
Registrado: 08 Abr 2010 13:07
Ubicación: Madrid

Ayuda con el sesnor SAS (angulo de giro del volante)

Mensaje sin leer por jalvarez »

Hola amigos,

Necesito una ayudita de alguien de vosotros que tenga una sonda software iCARSOFT y un Jaguar S-Type 2.7D V6 (creo que vale de cualquier motor, incluso cualquier modelo hasta 2012).

He estado liado resolviendo que se bloqueaba la pinza trasera (eje de tracción) izquierda. Usando criterios mecánicos, sustituí ambas pinzas y latiguillos por nuevos. Seguía bloqueándose, así que compré la sonda iCARSOFT que nos comentó Kirú (recomiendo a todo el mundo, que si puede invertir 300€, la compre) y me puse a medir. Identifiqué que el sensor de giro del volante SAS (Steering Angle Sensor) siempre devolvía un valor muy alto positivo independientemente de la posición del volante. Compré dicho sensor y lo sustituí. Ahora devolvía siempre un valor negativo en torno a -780. Ya os contaré el problema en un artículo conjunto con Nadie Ulises (porque fue el primero en darme una pista con su estupendo post sobre la viscosidad cinemática del líquido de frenos DOT4 que debemos usar para los Jaguar anteriores a 2012 y posteriores a 2002.5). También aprovecho para agradecer a Rota su apoyo y colaboración (cuando cualquiera de nostros tiene algún problema, viene muy bien el apoyo de un amigo).

He desmontado el volante y arrimé todo lo que permitían los tornillos el sensor de ángulo de giro a la ruedecita con agujeros que gira con el volante para dejar pasar la luz del LED emisor de infrarrojos y generar los pulsos, que incluye internamente 2 LED para saber cuándo giras el volante de izquierda a derecha y cuando de derecha a izquierda. Con esta operación he conseguido que funcione el nuevo sensor (el viejo sensor lo medí con un osciloscopio y una de las señales no era un pulso cuadrado perfecto, se parecía más a la descarga de un condensador). Medí el nuevo sensor con el osciloscopio una vez montado en el vehículo (tuve que hacer 4 cablecitos para instalarlos en medio del conector y poder medir).

La ayuda que necesito:
Alguien que tenga la sonda iCARSOFT, necesito que se la pinche a su Jaguar (S-Type, XF , XK o XJ) anterior a 2012 y ejecute la siguiente secuencia:
1.- Mantenimiento (primera opción)
2.- Jaguar (vehículo a conectar)
3.- Lectura inteligente de los ECU que tiene
4.- Seleccionar el vehículo que tengáis (en mi caso S-Type, motor 2.7D V6 diésel)
5.- Seleccionar el ECU ABS (con las flechitas os movéis por los que ha identificado hasta llegar al ABS, en mi caso el tercero)
6.- Seleccionáis la opción de menú medir valores
7.- Pulsáis F1 para seleccionar todos
8.- Pulsáis F2 para indicarle que empiece a muestrear
9.- Bajáis con las flechitas hasta la pantalla 3 y os posicionáis encima de Sensor de Angulo de Giro del Volante
10.- Pulsáis la tecla F1 para que presente los datos como una gráfica (wave)

Esta operación la hacéis con el vehículo parado y el motor arrancado y veis si al girar el volante cambia el valor acorde a lo que estáis girando el volante. Le hacéis una foto con el móvil.

Ahora pasando el cable por encima del volante para apoyar el iCARSOFT sobre el cenicero realizáis la prueba circulando y cuando podáis parar, realizáis una foto con el móvil.

A mí me salen estas gráficas, que la interpretación que hago es que cuando te mueves a la derecha o a la izquierda del punto cero, pasa del máximo al mínimo y viceversa
Graficas_sesnor_SAS.jpg
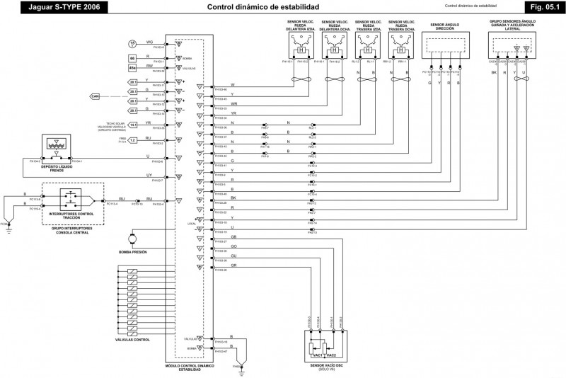
El esquema de conexión del sensor al ordeandor ABS/DSC es la siguiente:
Esquema_ABS-DSC.jpg
En el Jaguar S-Type, XJ y XK el módulo multiválvula es del fabricante ATE y el sensor de ángulo de giro es del fabricante FORD. En estos no parece que dispongan de calibrado del SCS.
En el Jaguar XF el módulo mutiválvula y ordenador ABS/DSC es del fabricante BOSCH, aunque el sensor de ángulo de giro del volante parece ser el mismo. Este si dispone de calibrado SCS

El Modelo S-Type no admite, al menos en iCARSOFT, calibrar o recalibrar el ángulo de giro.

Esto es lo que se me ha ocurrido a mí, pero seguro que hay ideas mejores o más eficientes que la mía.

Gracias anticipadas. Espero vuestra ayuda

Saludos
Javier
Última edición por jalvarez el 10 May 2021 09:05, editado 2 veces en total.
Avatar de Usuario
Bielas
Acelerando...
Acelerando...
Mensajes: 325
Registrado: 05 Feb 2020 16:14

Re: Ayuda con el sesnor SAS (angulo de giro del volante)

Mensaje sin leer por Bielas »

Has comprobado que con el volante recto el valor es cero?

En otro coche se me descorrigio el sensor y la dirección estaba más dura hacia un lado que hacia el otro
jalvarez
Cortando encendido...
Cortando encendido...
Mensajes: 3005
Registrado: 08 Abr 2010 13:07
Ubicación: Madrid

Re: Ayuda con el sesnor SAS (angulo de giro del volante)

Mensaje sin leer por jalvarez »

Gracias Bielas,

Si, estando el volante en línea recta (supuestamente en cero grados) si giro un poco a la izquierda se pasa al valor mínimo y si giro un poco a la derecha, se pasa al valor máximo, por eso necesitaría la realimentación de otro vehículo con el mismo mecanismo, para identificar si es asi como funciona, o tiene que ver con un error en el tratamiento de lo que devuelven los conversores analógico/digital (que cuentan el numero de puulsos que genera cada sensor y en que secuencia realativa de tiempo), que habitualmente trabajan en complemento a 2 para gestionar los valores negativos.

Leyendo el manual de formación para técnicos Jaguar "Jaguar chassis, bracking and traction control systems", página 128, los sensores no son de efecto Hall, son por emisión de luz infrarroja (no visible), aunque eso es poco relevante, lo importante es la salida, que son pulsos cuadrados:
For 2003 MY S-TYPE a 1.50 high resolution steering wheel angle sensor replaces the 4.50 unit previously used.
The Steering Wheel Angle Sensor (SWAS) is a completely different assembly, although it works on the same optical principle using LED' s and an optical receiver.
The sensor produces a square wave signal 90° apart to detect the direction of turn.
http://jagrepair.com/images/Training%20 ... -26-02.pdf
Sensor_SAS.png
Sensor_SAS.png (41.8 KiB) Visto 5896 veces
Adjunto una foto del osciloscopio con ambas señales, la del sensor viejo y la del sensor nuevo (lo que no termino de entender es como se fija la posición cero, aunque la descripción del DTC C005167 indica que aprende circulando 3 segundos en linea recta a una velocidad superior a 50Km/hora):
Sesnor_Viejo-Nuevo.jpg
Si la primera señal A (cable verde) aparece antes que la señal B (cable amarillo), es que se está girando el volante en un sentido y si es al revés, es que se está girando en el sentido contrario.

Saludos
Javier
Última edición por jalvarez el 10 May 2021 09:07, editado 1 vez en total.
kirú
Acelerando...
Acelerando...
Mensajes: 356
Registrado: 21 Oct 2012 15:11

Re: Ayuda con el sesnor SAS (angulo de giro del volante)

Mensaje sin leer por kirú »

Buenas, adjunto las gráficas obtenidas circulando por carretera con curvas más o menos pronunciadas y con curvas de 90 º aprox a izquierda y derecha.
Cuando pueda, envío la curva que me da aparcando en el garaje.
Mi cocne es un S-Type 2.7D V6 Diesel del 2007, espero que te sirva.
Saludos.
Adjuntos
3.png
2.png
1.png
jalvarez
Cortando encendido...
Cortando encendido...
Mensajes: 3005
Registrado: 08 Abr 2010 13:07
Ubicación: Madrid

Re: Ayuda con el sesnor SAS (angulo de giro del volante)

Mensaje sin leer por jalvarez »

Muchas gracias kirú
Me sirve para confirmar que efectivamente tengo cascado el cuerpo de válvulas y el ordenador ABS/DSC asociado.
Muchas gracias de nuevo
Javier
Avatar de Usuario
Paixu
Acelerando...
Acelerando...
Mensajes: 66
Registrado: 15 Ene 2021 18:21
Ubicación: Ferrol

Re: Ayuda con el sesnor SAS (angulo de giro del volante)

Mensaje sin leer por Paixu »

Sois unos fenómenos, cada vez que leo estos post me asombrais lo que sabéis de mecanica. Es de admirar.
Yo ya he llegado tarde a este mundillo del motor. :roll:. Me está empezando a gustar ahora.
jalvarez
Cortando encendido...
Cortando encendido...
Mensajes: 3005
Registrado: 08 Abr 2010 13:07
Ubicación: Madrid

Re: Ayuda con el sesnor SAS (angulo de giro del volante)

Mensaje sin leer por jalvarez »

Hola Paixu,

Nunca es tarde para estudiar lo que te interesa. Ahora se cuenta con recursos, que no había antes y el más importante es Youtube. Te animo a que descargues la docuemntación de tu vehículo y empieces.

Saludos
Javier
Responder