Fallo inyectores??

Modelos Jaguar S-Type
kirú
Acelerando...
Acelerando...
Mensajes: 356
Registrado: 21 Oct 2012 15:11

Fallo inyectores??

Mensaje sin leer por kirú »

Buenas, os cuento lo que me ocurre: como ya conté, llevé el coche al taller por fallo del servo....después de estar un mes el coche parado en el taller...ayer lo montaron...en principio todo bien...salvo el tiempo empleado en repararlo...como me volvía a holer a humo dentro del coche...le dije que me comprobara el flexible del catalizador, ya puestos...un día más o un día menos...mi sorpresa ha sido cuando me ha llamado para decirme que mos tubos de escape están atascados y que ha sacado unos dos litros de un líquido negro que huele parecido a la gasolina...ha desmontado los inyectores y va a probar la compresión y los inyectores...porqu según el taller se debe de haber quedado abierto algún inyector...esrando en el taller comprobé que hay un inyector que no salía, al parecer porque debía tener la tobera hinchada...a mí el coche nunca me ha dado tirones ni me ha traqueteado ni nada similar...entonces no entiendo el nuevo fallo de los inyectores de ahora...¿ puede el taller haber hechado algún aditivo al combustible para ver por dónde era la fuga de humos y haber provocado la avería? A mí me está mosqueando mucho...porque como digo...el coche iba como la seda...yo le cambié en su día el flexible del catalizador por un kit de reparación...y supuse que se me había aflojado la brida de unión...nada más...pero el coche no tenía ningún mensaje de error ni tampoco al conectarlo al ordenador, no me cuadra que me diga que el escape está atascado y que el problema venga de antes...yo voy siempre por autovía a velocidades medias...130 - 120 km/h...casi todos los días...y no me ha dado nunca ningún fallo del filtro de partículas...¿ qué opináis vosotros?
Saludos.
kirú
Acelerando...
Acelerando...
Mensajes: 356
Registrado: 21 Oct 2012 15:11

Re: Fallo inyectores??

Mensaje sin leer por kirú »

Se me olvidaba comentar que mi coche es un STYPE 2.7D. Tiene 200.000 km y es de mayo del 2008...por eso me mosquea que haya sacado ahora del escape unos dos litros de un líquido negro que parece holer a gasolina y no a gasoil...
jalvarez
Cortando encendido...
Cortando encendido...
Mensajes: 2994
Registrado: 08 Abr 2010 13:07
Ubicación: Madrid

Re: Fallo inyectores??

Mensaje sin leer por jalvarez »

Hola kiru:

El motor 2.7D V6 para la limpieza del filtro de partículas diésel (DPF) inyecta 2 chutes de diésel por pistón en el tiempo de escape y cierra las válvulas EGR para no recircular gases de escape (todo aire exterior), que quede suficiente oxígeno y se queme en el DPF, incinerando todo el hollín para limpiar la cerámica (al incinerar las partículas de hollín se vuelven más pequeñas y atraviesan el filtro). Identifica que tiene que arrancar el programa de limpieza o bien por Km recorridos o bien por presión diferencial (el sensor que tiene 2 tubos de goma que van al DPF y está situado a la izquierda, según abres el capot del motor viéndolo de frente).

El software de control del ECU PCM cuando identifica que un inyector funciona mal, lo corta, a mí me pasó y se nota que el motor no va redondo. Le pinché la sonda recuperé los errores registrados, vi que era un inyector que funcionaba mal (ahí me di cuenta que la numeración de los cilindros y de los inyectores es distinta) y lo sustituí completo (lo cuento en el artículo de mantenimiento a los 200.000Km). Esto me ocurrió después de haber sustituido las 6 toberas, de hecho, pude hacerle la foto a la tobera nueva, usando dicho inyector (¿se rompió el inyector porque estaba de romperse o se estropeó en el proceso de sustitución de la tobera? ¡Nunca lo sabré!).

Hay algo que se lleva muy mal con el motor 2.7D V6, es el diésel normal, porque el biodiesel (o como lo refiere la norma FAME), no se quema y genera chapapote. Tanto el diésel normal como el Premium llevan 7% de biodiesel, solo que al Premium, las petroleras le ponen aditivos (no es público cuales ni en qué cantidad) para romper sus moléculas más pesadas y que se quemen.

Tú sabrás si le pones diésel normal o diésel premium. Yo solo le pongo diésel premium y el de mayor índice cetano (Ultimate de BP). Si has consumido diésel normal y el aceite del motor (porque todos los motores queman aceite) que usas o has usado no es super-sintético 5W30 con paquete de aditivos ACEA C1, el diámetro de las partículas (el hollín) que genera al quemarlo, es muy grande y no se incineran, por lo que atasca el DPF. Que al desmontar los tubos de escape salga líquido, es muy chocante y si estuviese estropeado algún inyector y no cerrase, la gota de incandescencia que provocaría, taladraría el pistón. Otra posibilidad es que se hubiese ido el eje de un turbo y pierda aceite, si este va a la caracola de escape, se deposita en el tubo de escape y si va a la caracola de admisión, pasaría por el motor sin quemarse del todo y luego al escape (notarías que desciende el nivel de aceite mirando la varilla). Mis conocimientos de mecánica, no me permiten decir mucho más.

Nadie mejor que tu sabe el mantenimiento que le haces para intentar acotar el problema y encontrarle una explicación. Hay una ley no escrita, que dice que las máquinas devuelven de forma amplificada a modo de avería, el mantenimiento que se les hace.

La versión de ECU que incluye el motor 2.7D V6 de vehículos vendidos en 2007 y 2008, es distinta a la de vehículos con Model Year 2006, sospecho que para cumplir con los requisitos de emisiones de EURO4, por tanto, los vehículos que usan esta nueva versión del software de control, deben ser mucho más exquisitos con el combustible que los anteriores. Usan la misma mecánica, gestionada de otra forma, porque mi S-Type 2.7D V6, si bien es Model Year 2006 e incluir DPF, la DGT lo tiene tipificado como EURO3 (me aplican el 25% de penalización en la ORA).

Estos pequeños detalles desafortunadamente, no están descritos, como tal, en ninguna parte, yo lo he deducido de leer sobre su control, particularmente de fabricantes de sondas software (que hacen la misma o parecida función a la SDD de Jaguar).

Ni te cuento las exigencias de los actuales motores que van al límite. Por ejemplo, todos incluyen una posición del cambio automático referido como ECO (que suena muy bien y gasta menos), pero muy pocos saben que lo que hace en este modo, es aumentar la temperatura del motor, con la correspondiente degradación por fatiga mecánica. Todo porque no es posible mapear los requisitos de rendimiento del motor diésel con los requisitos de los materiales con los que se construye.

Sugiero vayas a ver qué es lo que sale de los tubos de escape, abras una consulta con atención al cliente de Jaguar, aunque solo sea para que te manden a paseo, como hicieron conmigo cuando les pregunté cómo se podía modificar el ciclo de trabajo del pulso PWM que hace girar el electro-ventilador del paquete de radiadores para contrarrestar la pérdida de capacidad magnética de los imanes permanentes del mismo (al final lo sustituí, tengo pendiente de terminar el artículo).

Saludos
Javier
kirú
Acelerando...
Acelerando...
Mensajes: 356
Registrado: 21 Oct 2012 15:11

Re: Fallo inyectores??

Mensaje sin leer por kirú »

bueno, esta mañana a última hora he ido al taller y sorpresa...me dice que hay un cilindro perforado...NO LO ENTIENDO...cuando lo llevé el coche estaba perfectamente e iba genial y ahora tiene un cilindro perforado?, en fin el cabreo que tengo es monumental...por lo menos reconoce que el coche llegó bien al taller...y que ha sido allí donde se ha averiado...pero que él no ha hecho nada para que se perforase el cilindro....MÁS CABREO ENCIMA...en fín...ya os contaré cómo acaba el tema y qué solución le da...
Saludos.
jalvarez
Cortando encendido...
Cortando encendido...
Mensajes: 2994
Registrado: 08 Abr 2010 13:07
Ubicación: Madrid

Re: Fallo inyectores??

Mensaje sin leer por jalvarez »

Hombre kirú,

Un cilindro no se perfora instantáneamente, es consecuencia de un desgaste. Sospecho que lo que debe estar perforado es un pistón y no el cilindro, porque de ser el cilindro, habría que sustiuir el bloque (no es de camisas húmedas). De ser cierto, es compatible (no quiere decir que sea eso) con que un inyector se haya roto y que gotée porque no cierra bien (la gota cae como una bala sobre el aluminio y lo taladara). En ese caso tu tenías que haber notado que el motor le costaba recuperarse al acelerar, que no rspondía con la alegría propia de este motor y que no arrancaba al primer toque de la llave sin forzar nada.

Eso explica perfectamente lo del aceite en el tubo de escape, pero tu tenias que haber visto (supongo) mucho humo azul (que es el que sale cuando se quema aceite). La pregunta es ¿tu por qué lo has llevado al taller? supongo que habría alguna razón. Reitero mi comentario de la intervención anterior sobre el aceite que se hubiese usado y diésel que se hubiese usado hasta los actuales 200.000Km.

Como habrá que desmontar la culata, aprovechas, desmontar las 2 y limpiar bien los colectores de admisión y escape. Si los colectores de admisión tienen un fina capa de carbonilla negra, entonces el diésel no ha contribuido a la situación. Si el colector de admisión está colmatado de chapapote, el diésel que se le ha echado no ha sido el apropiado (en la tapa del depósito pone "DIESEL E590" que quiere decir diesel premium. Hay que limpiar (usas FORZA de hornos de cocina) los tubos que van de las EGR al cuerpo de admisión.

Si tenías pensado reparar los inyectores, búscalos en www.rufre.com de sustitución reparados y calibrados. No requieren codificación, solo instalarlos, dejar el motor al ralentí 2 minutos y ya autoaprende el software del ECU. RUFRE (está en Tarragona) es laboratorio autorizado para reparar los inyectores CONTINENTAL/VDO (antes era SIEMENS/VDO). Si te fijas en lo que yo le he sustituido al mio, por relativamente poco dinero lo vuelves a dejar nuevo (Inyección, amortiguadores, silenblocks de suspensión, todos los líquidos, incluso el electroventilador rondará los 6.000€).

Yo al mío le sustituí entre los 190.000Km y los 220.000K:
1.- Las 2 EGR
2.- Las toberas de los 6 inyectores y 1 inyector completo
3.- El radiador (condensadora) del aire acondicionado porque tenía las aletas deterioradas y un poco tupidas
4.- El electro-ventilador y el radiador de agua
5.- El colector de entrada de agua al motor, el de salida, el termostato y (por ignorancia) la bomba de agua por segunda vez
6.- El forro del capot del motor
7.- Los 4 amortiguadores
8.- Los 2 silentblocks de los brazos oscilantes inferiores delanteros
9.- La correa de arrastre de la bomba de inyección

El kt de distribución, bomba de agua y la correa de servicio los sustituí a los 165.000Km más o menos

Por supuesto el aceite y todos los filtros, refrigerante, valvulina del puente trasero, líquido de frenos y líquido de la servodirección, periódicamente cuando toca. Pero mi coche yo lo conduzco como el primer día y el motor va fino, fino (bueno mejoró mucho con la limpieza de los sensores de caudal másico con spray de residuo cero). Aprovechando que tengo que ir con cierta frecuencia a Asturias, le echo un bote de limpieza de la inyección.

Seguro que se pueda reparar. Aprovecha que tienes quitadas las culatas para sustituir las bujías de incandescencia, que si se parte alguna al intentar desenrroscarla, tenéis fácil quitarla. Cualquier duda, intento ayudarte, aunque he publicado casi todo (me falta lo del electro-ventilador).

Saludos
Javier
kirú
Acelerando...
Acelerando...
Mensajes: 356
Registrado: 21 Oct 2012 15:11

Re: Fallo inyectores??

Mensaje sin leer por kirú »

Buenas javier...lo llevé para que le cambiaran el servo y ya puestos el líquido de frenos...además de revisar el flexible del catalizador...sólo eso...decir que no he visto humo salir del capot...el taller dice que dará parte al seguro suyo...yo le he dicho que el coche llegó perfecto al taller y que ha sido allí donde se ha averiado...según el taller...el problema ha surgido cuando han purgado los frenos y han probado el coche...que al comenzar a acelerar ha empezado a traquetear y a salir mucho humo por el capot, el taller dice que habrá sido casualidad...yo tengo dudas, el mantenimiento se lo hago normal...cambios de aceite....filtros...etc...según va tocando..., el coche lo cuido porque lo utilizo diariamente para el trabajo. El gasoil...sí que es cierto que lo hecho normal...de la cepsa...y alguna vez he utilizado limpiainyectores...pero nunca he notado nada raro al coche...así que esperaré a ver qué dice el seguro del taller...si lo cubre o no...pero gastar 6000 euros en un coche que tiene ya 10 años y 200.000 km...es para pensárselo...yo llevo tiempo queriendo cambiar el coche...no por nada...sólo por ahorrar en gasto de combustible...para ello...coche de GLP...montado de fábrica, que los hay mediodecentes...ó híbrido enchufable...porque eléctrico 100%...no me convence...enchufable con una autonomía de 50 - 60 km en batería perfecto para ir y venir al trabajo...cargarlo en el trabajo y vuelta a casa...luego dispones de la gasolina para viajes largos...en fín...eso es otra cuestión...ahora esperaré al lunes martes de la semana que viene...a ver qué me dice el seguro del taller...
Saludos...
jalvarez
Cortando encendido...
Cortando encendido...
Mensajes: 2994
Registrado: 08 Abr 2010 13:07
Ubicación: Madrid

Re: Fallo inyectores??

Mensaje sin leer por jalvarez »

Hola de nuevo kirú:

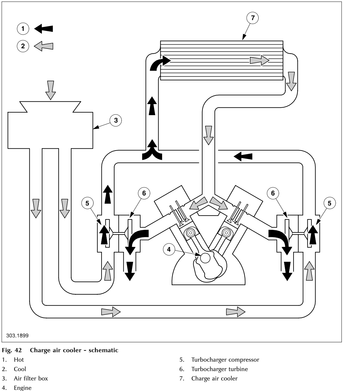
Otra posible explicación, pero no alcanzo a identificar el escenario, es que se hubiese colado alguna tuerca, arandela o tornillo en el circuito de admisión. En ese caso se habrá roto algún álave de la turbina de compresión (caracola que comprime el aire de admisión), que dichos restos hubiesen entrado en el cilindro y con la velocidad lineal que alcanza el pistón, hubiesen actuado como metralla y hallan perforado el pistón. Aqui pongo el esquema de conducción del aire del filtro a los turbos:
Filtro_Aire_27DV6.png
El escenario descrito, es poco menos que imposible, porque en el peor de los escenarios, el aire tiene que pasar por el "intercooler" (radiador que enfría el aire después de ser comprimido para aumentar su densidad y por extensión la cantidad de oxígeno), que actuaría de filtro mecánico y se rompería además. Pongo la copia del circuito de admisión de aire del manual del motor:
Circuito_Admision_27DV6.png
En la conexión del amplificador de frenada (servofreno) el vacio lo proporciona una bomba de vacío que está conectada con un tubo de goma al cofre del filtro de aire en su parte limpia, no hay conexión directa con ninguno de los 2 colectores de admisión.

La única alternativa sería en el tramo del colector de admisión, donde está la mariposa que se abre para dar paso al aire y que se conecta directamente a los 2 colectores de admisión y los tubos provenientes de las EGR. Pongo el esquema de princiiop del mismo manual:
Esquema_Principio_Admision_27DV6.png
Por tanto, podemos concluir que el aceite de los tubos de escape, parece que no ha salido por ninguno de los ejes de los 2 turbos, si no directamente del cilindro con el pistón perforado, a través de las válvulas de escape. Lo uníco que se me ocurre (pura elucubración) es que se haya arrancado un trozo de chapapote de un conducto de la EGR al colector de admisión, pero es algo blando, no es metálico como para preparar tal destrozo. Pongo el esquema de la conexion de las EGR con los colectores de admisión:
EGR_27DV6.png
Por último el colector de admisión, que como ves se conecta directamente al cuerpo de admisión, el que incluye la mariposa que regula el paso de aire. Observa las mariposas que se cierran para cortar la entrada de aire cuando frenas, que se activan por vacío, usando la misma fuente que el servofreno:
Colector_Admision_27DV6.png
Si no tienes el manual del motor, pásame en un MP tu dirección de correo y te lo envio. No lo puedo subir aqui, porque supera los 2 MB que permite el foro.

Saludos y suerte.
Javier
kirú
Acelerando...
Acelerando...
Mensajes: 356
Registrado: 21 Oct 2012 15:11

Re: Fallo inyectores??

Mensaje sin leer por kirú »

Gracias javier...para mí que ha limpiado los inyectores...se le ha colado alguna biruta por el hueco donde va el inyector, los ha montado nuevamente y al arrancar el coche para probarlo es donde se ha producido la perforación...además me dice que la punta del inyector está doblada...esto es lo que me parece que ha pasado...
Saludos
jalvarez
Cortando encendido...
Cortando encendido...
Mensajes: 2994
Registrado: 08 Abr 2010 13:07
Ubicación: Madrid

Re: Fallo inyectores??

Mensaje sin leer por jalvarez »

Ah!, pues es totalmente plausible.
Su seguro de responsabilidad civil, seguro que se hace cargo del problema.
Ojalá se resuelva y lo único incómodo sea el tiempo de espera.

Saludos
Javier
kirú
Acelerando...
Acelerando...
Mensajes: 356
Registrado: 21 Oct 2012 15:11

Re: Fallo inyectores??

Mensaje sin leer por kirú »

Bueno...después de mes y medio...sin coche...pareve que empiezo a ver la luz...el seguro de responsabilidad civil del taller parece que se va a hacer cargo...yo por mi parte he abierto también el siniestro en mi compañía de seguros después de hablar con ellos y explicarles lo sucedido, mi compañía peritará el coche mañana y según me dice mi compañía, son ambas compañías las que se ponen de acuerdo...aquí tengo dudas...el motor, inyectores y turbos hay que cambiarlos...casi con toda seguridad me lo darán siniestro total...por lo que me pagarán el valor venal más el 30%...es lo que tengo contratado en caso de siniestro total...mi duda es cómo calcula la compañía el valor venal...en el BOE aparece la tabla para valoración de vehículos usados...y mi coche es de mayo del 2008...por lo que está entre 9 y 10 años...el valor venal según el BOE es del 19 % del valor nevo del coche...por tablas me sale un valor venal de 7180 €...más el 30%...9300 € aprox...pero desconozco las tablas que utilizan las aseguradoras para calcular el valor venal...y otra cuestión...¿ será suficiente para reparar el coche, una vez descontado el valor de restos ?...
Saludos.
jalvarez
Cortando encendido...
Cortando encendido...
Mensajes: 2994
Registrado: 08 Abr 2010 13:07
Ubicación: Madrid

Re: Fallo inyectores??

Mensaje sin leer por jalvarez »

Hola Kirú:

No se muy bien cuales son las razones, pero tu debes exigir que se repare a toda costa (creo que es para evitar que entre en funcionmaiento el convenio entre compañías, en que cada una asume lo suyo, sin repercutirlo a la otra).

Si David lee esto, seguro que él si sabe darte la argumentación de como proceder.

Pero el motor nuevo, cuesta sobre los 6.000 Euros. En Madrid, que hayan comentado aqui en el foro, sustituyeron el motor 2.7D V6 en Premier Center al forero Dessert.

Mira en http://www.sngbarratt.com

Saludos
Javier
kirú
Acelerando...
Acelerando...
Mensajes: 356
Registrado: 21 Oct 2012 15:11

Re: Fallo inyectores??

Mensaje sin leer por kirú »

Bueno...comento la forma de proceder que voy a realizar...Lo primero esperar al lunes ó martes que viene a ver qué contestación me da el seguro de responsabilidad civil del taller ( AXA )...ya lo han peritado pero aún no sé nada, está a punto de cumplirse ya los 40 días de la apertura del siniestro...a partir de aquí...suman intereses...si no me llaman el lunes...llamaré yo con el número de póliza y de expediente, para pedir información.
Por mi parte, hablé con mi compañía de seguros ( GÉNESIS ), han abierto un expediente a la espera de la resolución de AXA, si no reparan el coche, entonces GENESIS mandará a peritar el coche y procederá a reclamar judicialmente el importe de la reparación.
Según mis cálculos...el importe total...montando un motor usado con un año de garantía y kilometraje certificado....( coche con libro de mto sellado ) asciende a unos 7500 euros. I.V.A incluido.
Ya iré informando de cómo evoluciona el tena y la forma de proceder final...por si sirviera de guía para otros usuarios que sin culpa le dejen sin el coche.
Saludos.
Responder